PD-V10-G5 Miniatuur X-Band Magnetronzendontvanger Bewegingsdetector
Wij zijn in eigen beheer gemaakt in de fabriek van Pdlux in China en zijn een erkende fabrikant en leverancier van de PD-V10-G5 miniatuur X-Band microgolftransceiver-bewegingsdetectoreenheid. We houden nauwlettend toezicht op elke stap van de productie om kwaliteit en duidelijke prijzen te garanderen en onze klanten kosteneffectieve oplossingen te bieden.
Stuur onderzoek
• Lage kosten • Laag stroomverbruik • Hoge gevoeligheid • 3V- en 5V-versies beschikbaar • Patchantenne • RoHS-compatibel
De eenheid, gehuisvest in een metalen blik, is voorzien van een diëlektrische resonator-gestabiliseerde oscillator, die zorgt voor stabiele werking over een breed temperatuurbereik in CW- of lage duty-cycle-pulsmodus en een geïntegreerde homodyne-ontvanger voor verbeterde gevoeligheid en betrouwbaarheid.
Deze modulefamilie is verkrijgbaar met een voedingsspanning van +5V of +3V.
Het basisprincipe van de werking bestaat uit het detecteren van de frequentieverschuiving tussen een verzonden en een ontvangen signaal
teruggekaatst door een bewegend object binnen het gezichtsveld van het apparaat.
Het apparaat produceert een laag uitgangssignaal dat kan worden versterkt en verwerkt om een hoorbaar of visueel alarm te geven
signaal en maakt gebruik van goedkope productietechnieken voor opbouwmontage waarvan in de praktijk is bewezen dat ze robuust en robuust zijn
betrouwbaar.
| Onderdeelnr. | Land | Frequentie | Opmerkingen |
| PD-V10-501 | Groot-Brittannië | 10,587 GHz (5V) | |
| PD-V10-502 | VS | 10,525 GHz (5V) | FCC-ID |
| PD-V10-502 | België, Nederland, Italië | 10,525 GHz (5V) | Voldoet aan de RED-richtlijn |
| PD-V10-301 | Groot-Brittannië | 10,587 GHz (3V) | |
| PD-V10-302 | België, Nederland, Italië | 10,525 GHz (3V) | Voldoet aan de RED-richtlijn |
| Frequentie | Zie tabel hierboven |
| Uitgangsvermogen (min.) | 5 dBm EIRP |
| Bedrijfsspanning | +5 V ± 0,25 V +3 V ± 0,15 V |
| Bedrijfsstroom (CW) | 25mA (max.) 20mA (typisch) |
| Harmonische emissies | <-30dBm |
| Gemiddelde stroom (5% DC) | 1 mA typ. |
| Pulsbreedte (min.) | 5 µsec |
| Inschakelduur (min.) | 1% |
| Pulsherhalingsfrequentie | 2-4 KHz |
| Gevoeligheid (voor een signaal-ruisverhouding van 10 dB) | -84 dBm |
| Ruis (gemeten in een bandbreedte van 3 Hz tot 80 Hz) | < 30 µV |
| Verdienen | 5 dBi |
| -3 dB straalbreedte | |
| E-vliegtuig | 50° |
| H-vliegtuig | 60° |
| Gewicht | 4 gram |
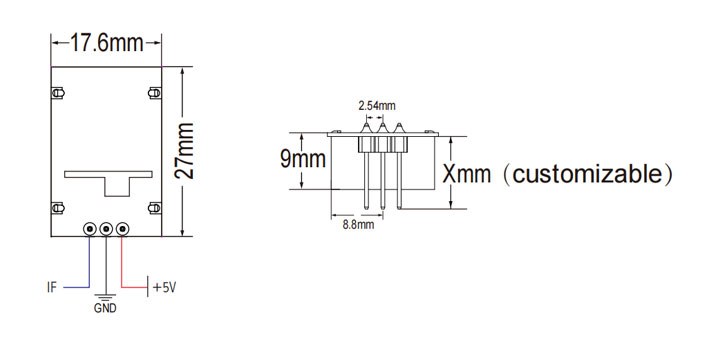
| Pinheader-connectoren | 2,54 mm afstand X3 |
| RoHS-compatibel | |
| Vermogen/Temp. Coëfficiënt (boven bedrijfstemperatuurbereik) | 3 dB |
| Frequentie/Temp. Coëfficiënt (boven bedrijfstemperatuurbereik) | 6,5 MHz |
| Bedrijfstemperatuur | -20°C tot +70°C |
De sterkte van het uitgangssignaal van de sensor (detectiebereik) hangt af van de signaal-ruisverhouding. Hoger of lager dan de nominale bedrijfstemperatuur kan de sensor ook werken, maar de prestaties zullen dan afnemen. Om schade aan de apparaten te voorkomen, moet voorzichtigheid worden betracht tijdens het hanteren. Juiste elektrostatische ontlading (ESD) er moeten voorzorgsmaatregelen in acht worden genomen tijdens alle stadia van opslag, hantering, montage en testen.











